+54 (11) 4641-4094
+54 (11) 4642-3435
comercial@metalurgicamasrl.com.ar
ZONA CLIENTES
Home
Empresa
Productos
Sistema de codificación
Calidad
Descargas
distribuidores
Contacto
Empresa
Productos
Sistema de codificación
Calidad
Descargas
distribuidores
Contacto
Inicio |
productos |
2447/1US |
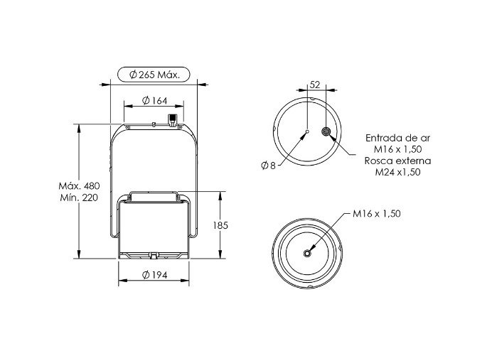
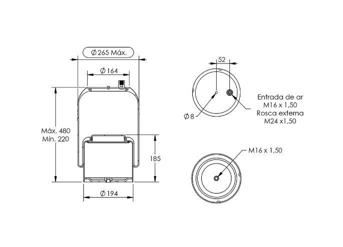
Productos Importados / Conjuntos Tubulares Unidad Sellada Mercedes Benz
COD. 2447/1US
CÁMARA DE CARGA (ST189) PARA MERCEDES ACTROS 2014 A 2014 / (4390N) - CON 1 NIPLE DESPLAZADO 3/4
Ficha técnica
Consultar