+54 (11) 4641-4094
+54 (11) 4642-3435
comercial@metalurgicamasrl.com.ar
ZONA CLIENTES
Home
Empresa
Productos
Sistema de codificación
Calidad
Descargas
distribuidores
Contacto
Empresa
Productos
Sistema de codificación
Calidad
Descargas
distribuidores
Contacto
Inicio |
productos |
2419/6US |
Productos Importados / Conjuntos Tubulares Unidad Sellada Mercedes Benz
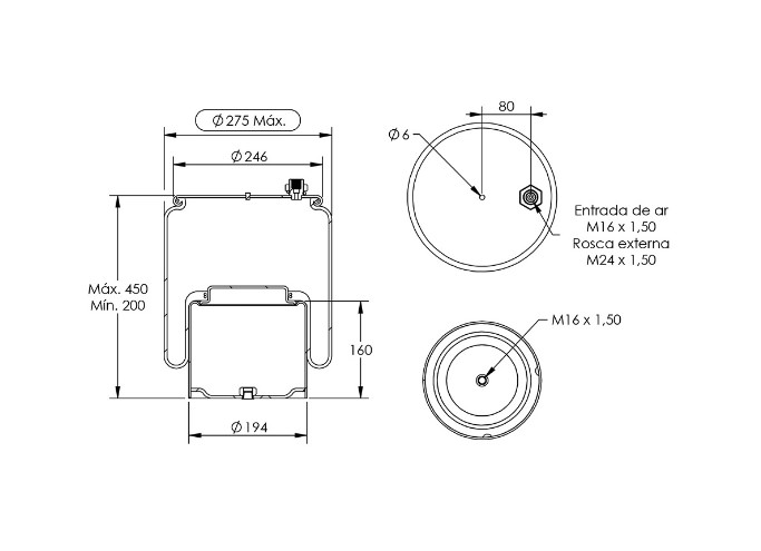
COD. 2419/6US
CÁMARA DE CARGA (ST338) PARA MERCEDES ACTROS-AXOR 2015 A 2022 / 99.5 SP14.4 - CON 1 NIPLE 3/4
Ficha técnica
Consultar