+54 (11) 4641-4094
+54 (11) 4642-3435
comercial@metalurgicamasrl.com.ar
ZONA CLIENTES
Home
Empresa
Productos
Sistema de codificación
Calidad
Descargas
distribuidores
Contacto
Empresa
Productos
Sistema de codificación
Calidad
Descargas
distribuidores
Contacto
Inicio |
productos |
2545US |
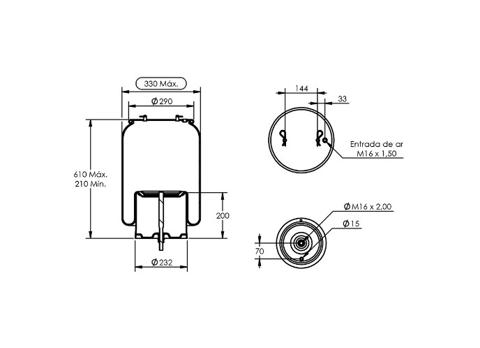
Productos Importados / Conjuntos Tubulares Unidad Sellada Scania
COD. 2545US
CAMARA DE CARGA (ST017) - CONJUNTO SCANIA SERIE 4 E 5 HASTA 2009 TRASERO
Ficha técnica
Consultar