+54 (11) 4641-4094
+54 (11) 4642-3435
comercial@metalurgicamasrl.com.ar
ZONA CLIENTES
Home
Empresa
Productos
Sistema de codificación
Calidad
Descargas
distribuidores
Contacto
Empresa
Productos
Sistema de codificación
Calidad
Descargas
distribuidores
Contacto
Inicio |
productos |
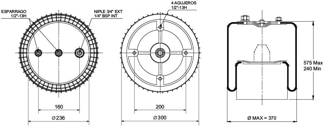
2531 |
Conjuntos Armados Tubulares / Conjuntos Tubulures
COD. 2531
CAMARA DE CARGA TIPO 1 - M.B OHL 1316/20 TR.-CARG. EJE AD. BOERO-CASTELCORP
Ficha técnica
Consultar