+54 (11) 4641-4094
+54 (11) 4642-3435
comercial@metalurgicamasrl.com.ar
ZONA CLIENTES
Home
Empresa
Productos
Sistema de codificación
Calidad
Descargas
distribuidores
Contacto
Empresa
Productos
Sistema de codificación
Calidad
Descargas
distribuidores
Contacto
Inicio |
productos |
2419/5US |
Productos Importados / Conjuntos Tubulares Unidad Sellada Mercedes Benz
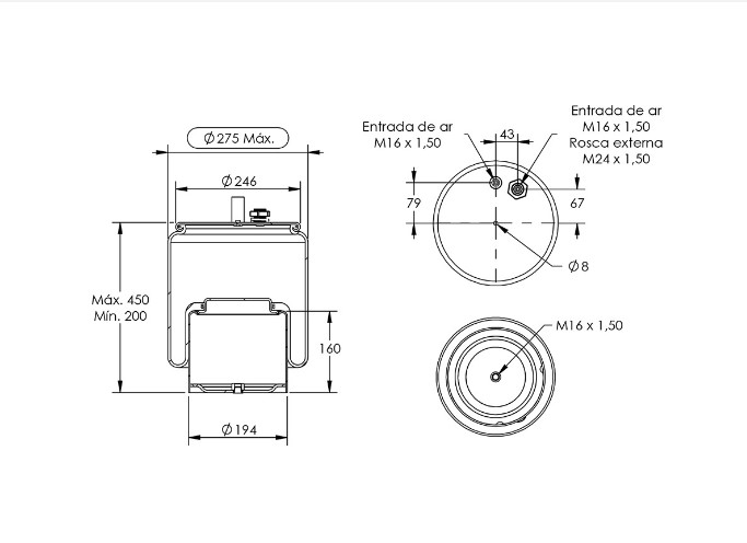
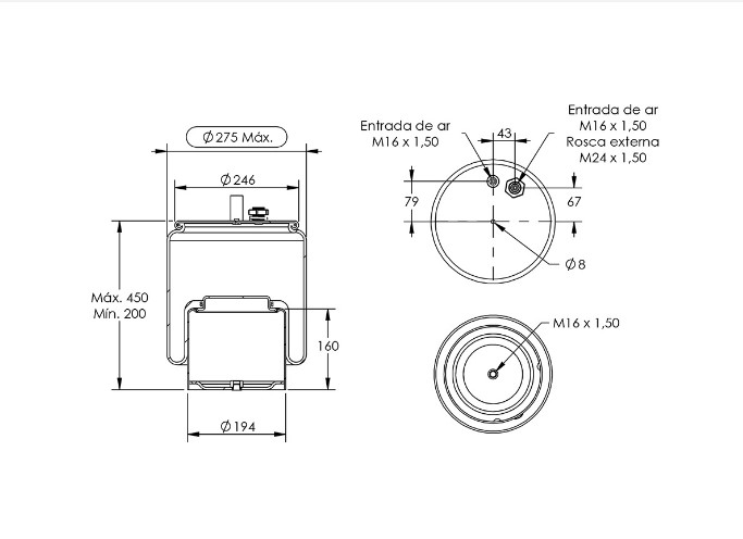
COD. 2419/5US
CAMARA DE CARGA (ST137) P/VOLVO FH/ FM HASTA 2014 SOPORTE U
Ficha técnica
Consultar