+54 (11) 4641-4094
+54 (11) 4642-3435
comercial@metalurgicamasrl.com.ar
ZONA CLIENTES
Home
Empresa
Productos
Sistema de codificación
Calidad
Descargas
distribuidores
Contacto
Empresa
Productos
Sistema de codificación
Calidad
Descargas
distribuidores
Contacto
Inicio |
productos |
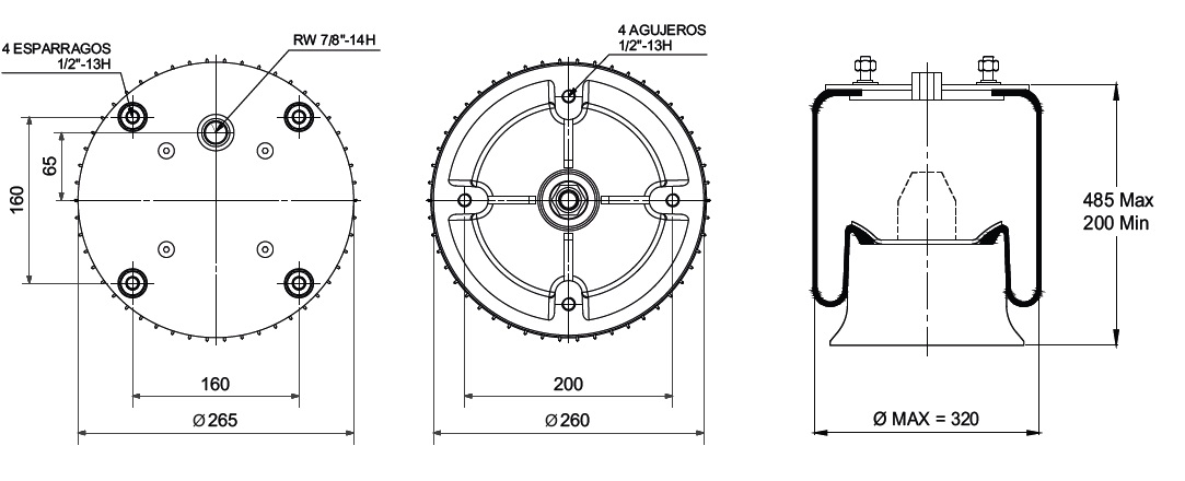
2442 |
Conjuntos Armados Tubulares / Conjuntos Tubulures
COD. 2442
CAMARA DE CARGA TIPO 2 EJES REF.MALDONADO
Ficha técnica
Consultar