+54 (11) 4641-4094
+54 (11) 4642-3435
comercial@metalurgicamasrl.com.ar
ZONA CLIENTES
Home
Empresa
Productos
Sistema de codificación
Calidad
Descargas
distribuidores
Contacto
Empresa
Productos
Sistema de codificación
Calidad
Descargas
distribuidores
Contacto
Inicio |
productos |
2261US |
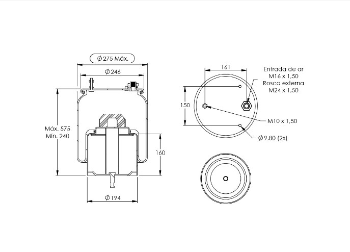
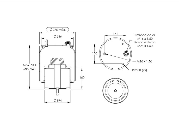
Productos Importados / Conjuntos Tubulares Unidad Sellada Volvo
COD. 2261US
CAMARA DE AIRE TUBULAR (ST366) VOLVO FH 2015 EN ADELANTE (6630NP02) NIPLE DE 3/4 Y SUJECION
Ficha técnica
Consultar